Aiyima T20
A fantastic Tube PreAmp with a modern twist and a beautiful design
The Aiyima T20 shows Aiyima’s new 10th anniversary design style. This tube pre-amplifier looks and works well with the A20 amplifier, and they make a good-looking system, as you will see later in the review. I do like it that Aiyima is building a line of products that look great together, and I believe they have a matching DAC in the works as well.

More information about the Aiyima T20 can be found at Aiyima’s official website.
I bought the T20 (with the A20) on Amazon
here for a very reasonable price of €169, and I believe there are some
discount vouchers available to reduce the price further.
Having used the T20 for a few weeks now, I can say it not only sounds good, but it works very well. It’s not just another tube pre-amplifier in a plain box.
The T20 and A20 together make an attractive system:

But before I get into the technical details, let’s have a look at the unboxing experience.
Unboxing and First Impressions
The Aiyima T20 arrives in packaging that immediately communicates the premium nature of this 10th anniversary product:

The back of the box:

Opening the box reveals the T20 nestled securely inside with protective packaging:

Design and Build Quality
The T20’s design philosophy represents a significant departure from typical tube pre-amplifier aesthetics. The large digital display dominates the front panel, providing clear visibility of volume levels and settings:

The rear panel showcases the comprehensive connectivity options that make the T20 so versatile:

The unit comes equipped with high-quality ECC83 (PSVANE) tubes:

Zoomed in:

Once installed, the tubes look well:

The self-exchangeable tube design allows you to experiment with different tube types to fine-tune the sonic character and I believe these are the supported tube types:
- 12AX7-S
- 12AX7B
- 7025
- 12AX7
The Display and Tube Warmup Countdown
One of the most delightful features of the T20 is its large digital display which normally shows the current volume.
But when you first switch on the T20 the large digital display also shows a countdown timer as the tubes reach their optimal operating temperature and then ultimately the display shows the current volume:
Connectivity and Features
The T20’s connectivity options are genuinely impressive for a tube pre-amplifier at this price point:
Input Options:
- XLR balanced inputs
- RCA unbalanced inputs

Output Options:
- XLR balanced outputs
- RCA unbalanced outputs

The inclusion of both XLR and RCA connectivity, both input and output, makes the T20 incredibly versatile and suitable for east integration into any audio stack.
12V Trigger System
The T20 includes 12V trigger connections, allowing it to be integrated into automated systems:

This feature enables the T20 to automatically power on and off with other components in your system, adding convenience and sophistication to multi-component setups.
Overall, the T20 is super easy to integrate into any system, and I used it both with WiiM Ultra triggering it to wake up and connected to the A20 triggering that amplifier in turn to wake up when it needed to play music.
Remote Control
The included remote control provides comprehensive functionality:

As someone with too many remotes, I like that the T20 remote has its name on it.
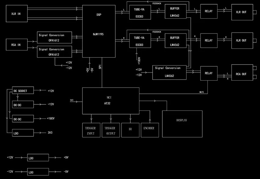
Power Supply and Internal Architecture
The T20’s internal design reflects serious engineering considerations:

The tube power supply delivers up to 180V for pre-stage circuit boosting, allowing the tubes to operate at their optimal working voltage. This high-voltage operation enables the tubes to deliver their characteristic warmth and harmonic richness at their best performance level.
Internal Audio Architecture
The internal signal path demonstrates thoughtful engineering:

The T20 employs a sophisticated operational amplifier combination:
- LME49720 × 3
- OPA1612 × 2
This top-of-the-line operational amplifier chip combination works in conjunction with the vacuum tubes to accurately reproduce warm tube sound while maintaining low distortion and high resolution. The hybrid approach combines the best characteristics of tube and solid-state technologies.
Perfect Pairing with the A20 Amplifier
The T20 truly shines when paired with Aiyima’s matching A20 amplifier, creating a system that’s both visually cohesive and sonically compelling:

This combination represents an ideal approach for those wanting to explore tube sound: start with the transparent A20 amplifier to understand your source material clearly, then add the T20 pre-amplifier to introduce tube characteristics while maintaining the ability to bypass them when desired as both the T20 and the A20 have both XLR and RCA inputs so you choose to route your music to the A20 or through T20 and then onto the A20 as needed.
Sound Impressions
The Aiyima T20 delivers exactly what you’d want from a quality tube pre-amplifier - warmth, harmonic richness, but without a noise floor and that indefinable “tube magic” that makes music feel more engaging and emotionally connected.
Tube Warmth and Character
The T20’s sonic signature is characterized by the classic tube warmth that tube enthusiasts seek. This isn’t an overpowering coloration but rather a subtle enhancement that adds body and richness to the music. The harmonic distortion introduced by the tubes is musically pleasing, adding depth and dimension to instruments and vocals.
The high voltage tube operation (up to 180V) allows the ECC83 tubes to operate in their optimal range, delivering the full spectrum of tube characteristics without the compressed or overly colored sound that can result from under-powered tube circuits.
Specifications and Measurements
| Specification | Details |
|---|---|
| Op-Amp Chips | LME49720 ×3 + OPA1612 ×2 |
| Vacuum Tube Type | ECC83 (PSVANE) |
| Compatible Tubes | 12AX7-S, 12AX7B, 7025, 12AX7 |
| Input Connections | RCA, XLR |
| Output Connections | RCA, XLR |
| Noise Floor | 20μV |
| SNR | ≥112dB |
| Dynamic Range | 109dB |
| THD + N | 0.003% |
| Frequency Response | 20Hz-20kHz (±0.2dB) |
| Working Power | DC12V / ≥2A |
| Tube Power Supply | Up to 180V |
| Dimensions | (L)190mm × (W)142mm × (H)46mm |
| Weight | 1015g |
| 12V Trigger | Yes |
| Remote Control | Yes |
Measurements
While Tube Amplifiers typically measure poorly, as those ‘harmonics’ that Tube lovers will cherish typically come with extra ’noise’ and distortion, and when I initially spotted Aiyima excellent “Audio Precision” published measurements, I was a bit skeptical.
But then recently I spotted that Amir over at AudioScienceReview has now reviewed the T20 and while the measurements are not quiet as good as Aiyima’s, they are still pretty extraordinary for a tube amplifier. I believe this might be the first Tube Amplifier that Amir has ever recommended. I encourage everyone to check out the technical measurements in that review.
So here are Aiyima original SINAD measurements:

And here are the independent measurements from Amir’s review over at AudioScienceReview:

One other measurement that Amir showed which I think is excellent is the SNR / Dynamic Range measurement:

So with a SINAD score of 81dB and 17 bits of SNR/Dynamic range, you are hearing purely the music but with that added ’tube sound’ of ‘good harmonics’ and not any extra ’noise’ (bad harmonics) from the circuitry. I feel lots of tube lovers mistake the good and bad harmonics for that Tube sound.
Basically, this is a very well-engineered Tube Pre-Amplifier. Some subjective reviewers may even complain that the T20 is ’too clinical’. I imagine they are used to listening to the ‘warm nature’ of the ’noise’ you typically get with a tube amplfier, and not the more pleasant ‘harmonics’ you should get from a tube amplifier.
Who Should Consider the T20
The Aiyima T20 is ideal for several categories of audio enthusiasts:
Perfect for System Expansion: If you already have a clean, transparent amplifier and want to add tube warmth as an option, the T20 provides the flexibility to switch between transparent and tube-colored sound.
Tube Enthusiasts: Those who appreciate tube sound but want modern convenience features like remote control, digital display, and comprehensive connectivity.
System Builders: The matching aesthetic with the A20 amplifier makes the T20 perfect for those building a cohesive, visually appealing system.
Flexibility Seekers: The tube-swapping capability appeals to those who enjoy fine-tuning their system’s sonic character.
Rating Justification
The T20 earns a solid 4-star rating as an excellent tube pre-amplifier that successfully balances traditional tube warmth with modern functionality and stunning aesthetics. The comprehensive connectivity options, tube flexibility, and integration with Aiyima’s new design philosophy make it a compelling choice.
However, tube pre-amplifiers inherently serve a specific niche in the audio world. They’re not universal solutions but rather specialized tools for those seeking particular sonic characteristics. The T20 excels within this context, but the 4-star rating reflects the reality that tube pre-amplifiers aren’t suitable for every listener or every system.
The T20’s strengths significantly outweigh any limitations:
Strengths:
- Stunning 10th anniversary design that elevates any system
- Comprehensive XLR and RCA connectivity
- Large, clear digital display with entertaining warmup countdown
- High-quality tube implementation with swapping flexibility
- Excellent build quality and premium feel
- 12V trigger integration for system automation
- Perfect aesthetic matching with A20 amplifier
Considerations:
- Tube pre-amplifiers aren’t for everyone
- Requires understanding of tube maintenance and characteristics
- Best suited as an addition to, not replacement for, transparent amplification
Conclusion
The T20 is a good tube pre-amplifier for the money. It combines tube warmth with modern features and looks nice. This 10th anniversary product shows Aiyima can make good products that compete with expensive alternatives.
The T20’s best feature is flexibility - you can add tube sound to your system without using it all the time. With a clean amplifier like the A20, you can switch between clean and tube sound for different music.
The details are good throughout, from the tube warmup countdown to the many connections and good build quality. You can swap different tubes to change the sound, which tube fans will like.
If you want to try tube sound but keep the option for clean sound, the T20 is a good choice that doesn’t cut corners on quality or features. It shows how good cheap audio has become.
The T20 is not just a tube pre-amplifier - it looks good and sounds good in any system. For those ready to try tube amplification, the T20 is a good start that will grow with your experience.